Products
News
- RFID Access Control system: Track and SecureRFID Based Access Control System can provide an easy and efficient solution for enabling access to o...


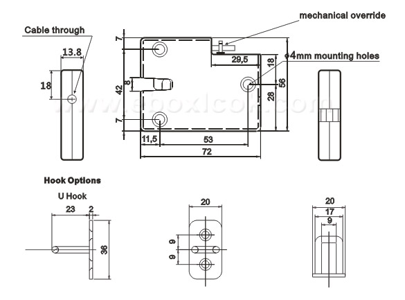
Electronic Cabinet Lock MA1208LS is a compact and all-metal constructed lock designed to provide keyless locking solution for cabinets, drawers and lockers. Surface mounting either vertically or horizontally offers easy and flexible installation. Lock sensor is available for detecting door status. The cabinet lock is compatible with any access control system or standalone cabinet locking controller. It allows mechanical override for emergency open. The electronic cabinet lock is energy saving, cost efficient, robust, easy to install and suitable for one or multiple cabinet locking applications.
Features
§ Available in 12VDC or 24VDC
§ Superior heavy duty metal construction
§ Chrome-plated steel housing
§ Convenient mechanical override enables manually release during power failure
§ Three-bolt regular triangle mounting enables high security and low install cost
§ Optional internal lock switch for detecting open/close output signal
§ Accepts access control signals from numeric keypad, RFID card, remote or fingerprint
§ Can be fitted to Cabinets, lockers, drawers and steel furniture etc
§ Patented Design
§ 2 years limited warranty
Specification
|
Operation Voltage |
12/24VDC intermittent ±10% |
|
Power Consumption |
12V DC 800mA |
|
Operation Mode |
Fail Locked |
|
Holding Force |
150KG |
|
Maximum power on time |
Less than 30 second |
|
Solenoid |
Rated for intermittence use |
|
Cycle Rating |
More than 1,000,000 times |
|
MS Contact Rating |
3A @125V |
|
Mechanical Override |
29.5mm gap |
|
Working Temperature |
-20ºC ~ +60ºC |
|
Dimensions LxWxH |
72mm*56mm*13.8mm |
|
Gross Weight |
250g |
|
Protection Class |
IP20 |
|
Compliance |
CE and RoHS certificate |
Application:
The electronic cabinet lock is ideal for various applications as following:
Electronic lockers for storage or delivery
Steel cabinet or metal furniture
Retail display cases and drawers
Filing cabinet
Utility cabinets and drawers
Key cabinet
Museum or retail product display cases
Pharmaceutical cabinets and drawers
Electronic mailbox and lock box
Warranty:
We guaranty that the products you order from us is true, accurate, current, and complete in all respects; you will be notified immediately of any changes to product information by e-mail. We offer one year warranty from the delivery date for any product in case of original defect or dysfunction. The buyer should return the product in the original conditions to us and should bear the shipping costs and we will bear the cost of parts replacement. We strive for 100% customer satisfaction on every sale we complete.
About Us
Dajiang Lock Co., ltd is a leading manufacturer specializing cabinet locks, drawer locks, and locker lock. No matter size-restricted enclosures or heavy-doored metal cabinets; our electronic cabinet lock can meet your particular security requirement with customized design for your applications. Our range includes electronic cabinet lock, electronic locker lock, solenoid lock, solenoid cabinet lock, drawer lock, keypad locker lock, keypad cabinet lock, combination cabinet lock, cabinet cam lock, combination locker lock, combination cam lock, digital locker lock, electric cabinet lock and electric bolt lock.








